Version 2 of the guidelines
Thanks for the input. Here is version 2!
Thoughts for Vintage Racing Saloons.
Below is an amended set of guidelines based on submissions from a number of interested people. This is still a “work in progress”
The intention for this class is to operate within the Vintage Car Club of NZ rules, and is intended as an outlet for members of that club to participate in friendly rivalry with a like -minded group of people. It is NOT intended as an out and out racing class. If a potential entrant is unsure of what is allowed they are encouraged to contact the group who will then make a considered decision. Loophole hunting is heavily discouraged. Any entrant who does not like the rules is encouraged to find another outlet for their endeavours.
Cars.
If the rules do not specifically allow a modification, then it is not allowed
All major components must be made from the same material as originally fitted to the car portrayed. Ie Cast iron blocks, cylinder heads, gearbox case, differential housing, body panels, may not be changed for a lighter material..
The car to be a production saloon which was in production prior to December 31 1960. Onus of proof of this rests with the owner. Variants of saloon, ie staion wagon are acceptable, sports version (non saloon) are not.
Body modifications, ie chop tops, channeling, tail chops etc are specifically banned. The car shall have a full complement of seats as sold, although the drivers’ seat may be replaced with an alternate with better support. Current “wing” seats are discouraged. Should the car have originally have been fitted with a “bench” seat this can be replaced, a front passenger seat shall be fitted.
Bumpers shall be in place.
Hubcaps are not required.
All lights should be in place, headlights taped (as was done and required in period).These must be in working condition.
External trim strips, ie chrome etc. PLEASE DISCUSS, my personal feeling is they should not be compulsory, as in period they were often asked to be removed for safety, also an item that may be difficult and expensive to find.
Floor mats/carpets, if removed the floorpan should be a subtle colour so it is not too obvious.
Steering wheel should be of the period. This is taken to mean that a steering wheel of a diameter not smaller than 50mm smaller than that originally fitted shall be used. Wire spoke wheels are heavily discouraged, rims shall be in sound condition, woodrim wheels must be those constructed with a continuous metal re-inforcement .
Instruments must be period, ie no digital, shift lights etc. Additional instruments may be fitted but must comply with the preceding statement
Windows may be replaced with alternate material, however the fitting of these should appear to be of the original manner. Specifically, bolted on lightweight materials are not allowed, nor are “driver porthole” type windows. The windows shall be in original tracks and at least the drivers’ window shall open in the original manner.
Roll over protection. May be fitted if desired. The design should not be such that reinforcement of the structure is a design criteria.
Engine
To be a version of the engine supplied with the car as sold new, or a common conversion. Ie one off engine transplant is not acceptable, but where this was not uncommon would be allowed. Onus of proof as above.
Modifications to the engine.
Only modifications which could have and were been done in the period (pre Dec 60) are acceptable. Ignition systems should appear to be of the type originally fitted.
Specifically electronic systems are allowed, but must be of the type installed primarily inside the distributor. Management systems are specifically disallowed.
Carburettors shall be of a type available in the period of the car.
Suspension
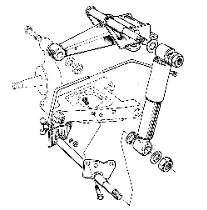
Suspension systems may be modified. Springs shall be of the type originally fitted. Ie torsion bars, coil springs or leaf springs must stay as the sole form of springing The rate, length, thickness, may be altered but the original attachment points must be used. Cars may be lowered to road legal limits.
Shock absorbers may be added, replaced with an alternate form, however onus of proof of the availability of the unit used being available in the pre- 1961 period rests with the entrant. Externally adjustable shock absorbers, and adjustable spring platforms are specifically disallowed.
Axle location should remain the same as original, but additional members may be added, ie panhard rods, Watts linkages, tramp bars, as long as the primary location remains. Test of this to be detach one end of any rod and the car remains suspended..
Brakes
Must remain in the same form as originally sold. Ie if sold with drum brakes, no conversion to discs is allowed. Brake scoops, ventilated back plates, Alfin type drums are allowed. Brake lining material is free. Conversion from rod or cable to hydraulic is acceptable. A secondary form of braking is recommended, even if it is only handbrake.
Wheels
Must be of a size which could have been fitted in the period. This automatically means that widened wheels are not acceptable as this process was not in place until later in the 60s. Alternate wheels, eg van versions, 13” rims on original centres, Vauxhall wheels on Ford 10, wheels from a later version (pre 60) are acceptable Any wheel which is known to be of a suspect standard may be replaced, as long as the diameter and width is respected. Appearance of the wheel must be of a period type.
Tyres
Must be of no lower profile than 65 series, road tyres. Ie no race or semi race tyres are allowed. They should be available readily without specialist suppliers.
Presentation
The car should be presented to a reasonable standard. The spectator should be able to expect to see cars of reasonable standard, no primer, dents etc unless sustained at the same meeting, although contact between cars would result in questions being asked of both parties.
EXTRA
It has been suggested that a car having been allowed at one meeting does not, as of right, qualify for any other. Additional restrictions may become needed as the use of these cars becomes more common. All modifications should be reversible without disagreement, discussion is fine, argument is not!